JRM快速型氣液增壓缸
- 作動方式:雙動
作動條件:4~7kg/cm2壓縮空氣
液壓抗磨油:VG68#抗磨液壓油
工作溫度:0~60℃
操作速度:50~400mm/s
油缸耐壓:300kg/cm2
氣缸耐壓:12kg/cm2
預壓行程公差:+1.00mm 0.00mm
力行程公差:+0.20mm 0.00mm
工作頻率:25~45次/min(與行程長短成反比)
高壓出力:1~40噸
玖容廠家直銷,2年免費保修,非標定制!
JRM快速型氣液增壓缸又叫油氣隔離型氣液增壓缸(較標準型氣液增壓缸快30%),動作油只在內部循環,無油氣混合現象產生,可用于高頻動作場合及縱向長度無較大限制的場合。
此增壓缸是由增壓氣缸、增壓油缸、快進氣缸及儲油筒組成,采用油氣隔離設計,油氣隔離,互不接觸,從而解決這一長期困攏客戶的技術難題。中間的部分是油缸,這就是速度為什么這么快的原因,還有比如活塞桿和端蓋的設計,為了能夠提升增壓缸的穩定輸出,都有進行嚴格的要求。
【快速型氣液增壓缸操作條件】:
咨詢熱線:400-833-2669
【快速型氣液增壓缸產品特點】:
●特殊結構,缸體纖長,油氣隔離型。
●動作速度快(較標準型快30%)。
●使用成本低,操作維護簡單。
●適用于:成型、鉚合、擠壓、彎曲、沖孔、裝配等。
●安裝方式:正裝(前軸向下出力)。
●此油氣隔離型氣液增壓缸可非標定制,玖容氣液增壓缸廠家直銷價格從優,歡迎選購。
【快速型氣液增壓缸訂購代碼】:
【快速型氣液增壓缸提升力及理論出力對照表】:
【快速型氣液增壓缸1~40噸安裝尺寸表】:
【快速型氣液增壓缸設計圖】:
注:此油氣隔離型氣液增壓缸設計圖僅僅是舉例,因為不同規格產品外形尺寸有所差異,具體設計圖會在下單時由我司技術給出。玖容氣動液壓設備廠家,到目前為止,已為3000多家企業進行了針對性的產品定制服務,服務過上萬家客戶,歡迎廣大新老客戶選型報價:400-833-2669。
【氣液增壓缸產品應用】:
增壓缸可用于沖孔,裁斷,裝配,型材碰焊,鉚壓鉚合,鉚接鍛壓,折彎型材,擠壓成型,壓平校直,壓印標記,塑料熔接,修毛邊等;在電聲設備,燙金機械,高周波機械,熱壓成型機械,低壓注膠設備,鋰電池設備,工程設備,電子產品,吹瓶機械,紙杯設備,印刷機械,塑料機械,橡膠機械,壓力機械,冶金機械,軸承機械,塑膠機械,服裝機械,鉚接機械,鞋機機械,制袋機械,制藥機械,非標自動化設備等等行業中得到廣泛應用。
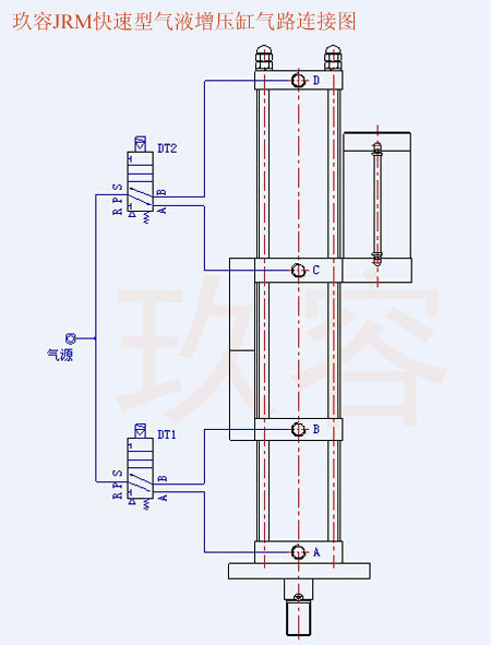
【快速型氣液增壓缸氣路連接圖】:
此油氣隔離型氣液增壓缸動作順序如下:
1、當電磁閥DT1通電,氣壓作用在儲油筒液壓油表面,氣缸段總行程開始向下作位移;
2、活塞桿位移遇到阻力,DT1保持,此時DT2通電,增壓段總成開始作位移;
3、根據加工工件保壓需要,DT2斷電,此時增壓段總成復位,增壓缸卸壓;
4、DT1斷電,氣缸段總成復位,液壓油回位到儲油筒,此時一個動作循環完成。
- *聯系人:
- *手機:
- 公司名稱:
- 郵箱:
- *采購意向:
-
*驗證碼:




